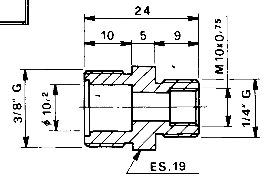
FUVÓKA TARTÓ

3/8-1/4-M10X0,75

Ára: 998 Ft
Készleten
db
Cikkszám: S01
Típus: S01
Gyártó: Beckett Thermal Solutions
Súly: 22 gramm
'.
BIASI Bosch BRAHMA FÉG-MPF Honeywell Mertik MP Orkli Resideo Sit Vara FÉG