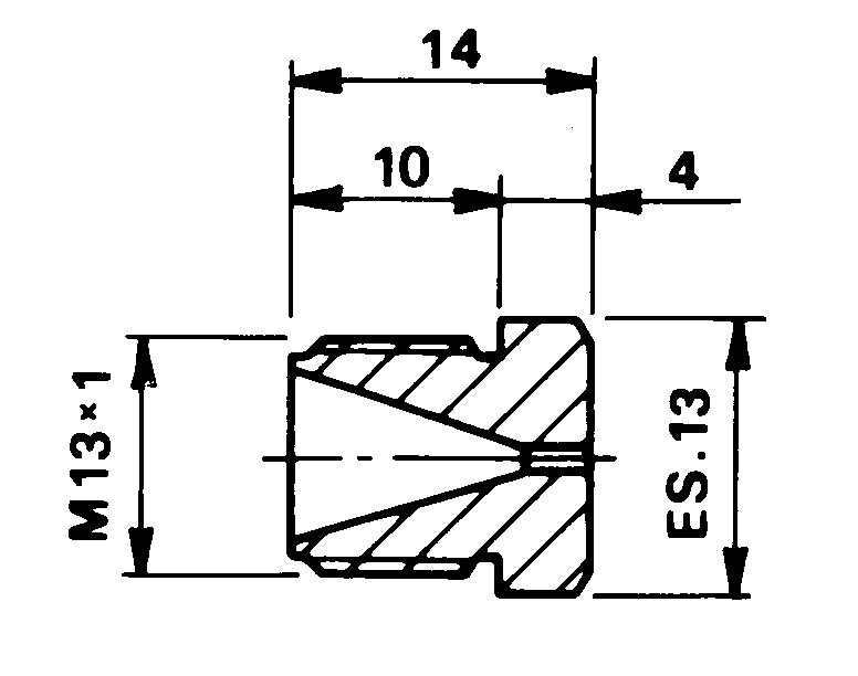
FUVÓKA D 0,00 M13X1

Ára: 364 Ft
Készleten
db
Cikkszám: S17000
Gyártó: Beckett Thermal Solutions
Súly: 17 gramm

Furat nélkül

'.
BIASI Bosch BRAHMA FÉG-MPF Honeywell Mertik MP Orkli Resideo Sit Vara FÉG